BYCAP TYPE 2E Capacitors have been developed for filtering, Bypass, Xray Power Supplies, Voltage Doubling Circuits, and Arc Suppression Applications. The TYPE 2E has a steel tin plate case to protect against corrosive conditions with a primer and gray lacquer finish. Unit will also operate in any position. Terminals are solder seal types with threaded stud or lug termination for true hermetic sealing.
.1 to 4.0 uF
±10% (Standard) ±5%
5000 VDC to 30 KVDC
-40°C to 85°C
1% max. referred to 1000 Hz @ 25°C
Electrification time of 2 minutes @ 500 VDC
| Temperature | MEG x MFD | Need Not Exceed |
| +25°C | 10,000 | 10,000 Megohms |
| +85°C | 300 | 2,000 Megohms |
10,000 hrs.@ 85°C at rated voltage

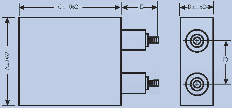
| PART NO. | CAP. (uF) | VOLT. DCW | A | B | C | D | E |
|---|---|---|---|---|---|---|---|
| 2E502-104 | .1 | 5000 | 1 ¾ | 1 | 2 ⅛ | 13⁄16 | 1 ⅛ |
| 2E502-254 | .25 | 5000 | 1 ¾ | 1 | 3 | 13⁄16 | 1 ⅛ |
| 2E502-504 | .5 | 5000 | 1 ¾ | 1 | 4 ¾ | 13⁄16 | 1 ⅛ |
| 2E502-105 | 1.0 | 5000 | 2 ½ | 1 3⁄16 | 5 | 1 ⅛ | 1 ⅛ |
| 2E502-405 | 4.0 | 5000 | 3 ¾ | 2 ¼ | 6 ¼ | 2 | 1 ⅛ |
| 2E103-104 | .1 | 10 KVDC | 3 ¾ | 1 ¾ | 3 ¼ | 2 | 1 9⁄16 |
| 2E103-254 | .25 | 10 KVDC | 3 ¾ | 1 ¾ | 3 ¾ | 2 | 1 9⁄16 |
| 2E103-504 | .5 | 10 KVDC | 3 ¾ | 1 ¾ | 5 ¾ | 2 | 1 9⁄16 |
| 2E103-105 | 1.0 | 10 KVDC | 3 ¾ | 2 ¼ | 7 ¼ | 2 | 1 9⁄16 |
| 2E103-205 | 2.0 | 10 KVDC | 4 9⁄16 | 3 ¾ | 6 ¾ | 2 | 1 9⁄16 |
| 2E153-104 | .1 | 15 KVDC | 3 ¾ | 1 ¾ | 3 ¾ | 2 | 1 ¾ |
| 2E153-254 | .25 | 15 KVDC | 3 ¾ | 2 ¼ | 5 ¼ | 2 | 1 ¾ |
| 2E153-504 | .5 | 15 KVDC | 4 9⁄16 | 3 ¾ | 5 | 2 | 1 ¾ |
| 2E153-105 | 1.0 | 15 KVDC | 4 9⁄16 | 3 ¾ | 8 ½ | 2 | 1 ¾ |
| 2E153-205 | 2.0 | 15 KVDC | 8 | 4 | 9 ¼ | 4 ½ | 1 ¾ |
| 2E153-405 | 4.0 | 15 KVDC | 13 ½ | 4 ⅛ | 11 | 8 | 1 ¾ |
| 2E203-254 | .25 | 20 KVDC | 4 9⁄16 | 3 ¾ | 4 ¾ | 2 | 2 ¼ |
| 2E203-504 | .5 | 20 KVDC | 4 9⁄16 | 3 ¾ | 7 ½ | 2 | 2 ¼ |
| 2E203-105 | 1.0 | 20 KVDC | 8 | 4 | 9 ¼ | 4 ½ | 2 ¼ |
| 2E203-205 | 2.0 | 20 KVDC | 13 ½ | 4 ⅛ | 9 ¼ | 8 | 2 ¼ |
| 2E203-405 | 4.0 | 20 KVDC | 13 ½ | 5 ⅛ | 11 ⅞ | 8 | 2 ¼ |
| 2E303-104 | .1 | 30 KVDC | 3 ¾ | 3 3⁄16 | 8 ¾ | * | 2 ⅝ |
| 2E303-254 | .25 | 30 KVDC | 4 9⁄16 | 3 ¾ | 8 ¾ | * | 2 ⅝ |
| 2E303-504 | .5 | 30 KVDC | 8 | 4 | 9 ¼ | 4 ½ | 2 ⅝ |
| 2E303-105 | 1.0 | 30 KVDC | 13 ½ | 4 ⅛ | 11 | 8 | 2 ⅝ |
| 2E303-205 | 2.0 | 30 KVDC | 13 ½ | 6 ⅛ | 12 ⅞ | 8 | 2 ⅝ |